Chào mừng bạn đến với giaibaitoan.com, nơi cung cấp lời giải chi tiết và dễ hiểu cho các bài tập Toán 11. Bài viết này sẽ hướng dẫn bạn giải bài 2 trang 73 Chuyên đề học tập Toán 11 Cánh diều một cách nhanh chóng và hiệu quả.
Chúng tôi luôn cố gắng cung cấp nội dung chất lượng cao, giúp bạn nắm vững kiến thức và tự tin hơn trong quá trình học tập.
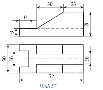
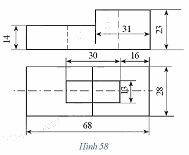
Đọc bản vẽ và khôi phục lại hình dạng của vật thể trong Hình 57, Hình 58.
Đề bài
Đọc bản vẽ và khôi phục lại hình dạng của vật thể trong Hình 57, Hình 58.
a) Vật thể: Gá mặt nghiêng;

b) Vật thể: Gá lỗ chữ nhật.

Phương pháp giải - Xem chi tiết
Quan sát hình 57, 58 để đọc bản vẽ.
Lời giải chi tiết
a) Đọc hai hình chiếu của gá mặt nghiêng ta thấy:
- Hình chiếu đứng có hai phần có kích thước khác nhau. Phần hình thang vuông phía trên có chiều cao 17, chiều rộng 53. Phần đế hình hộp chữ nhật phía dưới có chiều dài 72, chiều cao 9.
- Đối với hình chiếu bằng, ta thấy có hai hình chữ nhật và một khoảng trống 10 ở giữa tương ứng với phần hình thang vuông phía trên; hình chữ nhật bao ngoài tương ứng với phần đế phía dưới.
- Trên hình chiếu đứng có một nét đứt dọc tương ứng với rãnh chữ nhật ở hình chiếu bằng thể hiện phần khuyết trên đế hình hộp.
- Trên hình chiếu đứng còn có một nét đứt ngang tương ứng với chân hình thang vuông phía trên.
Từ đó hình dạng gá mặt nghiêng được biểu diễn như hình sau.

b) Đọc hai hình chiếu của gá lỗ chữ nhật ta thấy:
- Hình chiếu đứng hình chữ L nằm ngang. Chiều dài bao quát 68, chiều cao bao quát 23. Có hai phần: phần nhô cao có chiều dài 31, chiều cao 9; phần đế thấp có chiều cao 14.
- Hình chiếu bằng có hai hình chữ U và một hình chữ nhật rỗng ở giữa. Hình chữ U bên phải tương ứng với phần nhô cao ở hình chiếu đứng; hình chữ U bên trái tương ứng với phần đế thấp.
- Trên hình chiếu đứng có hai nét đứt tương ứng với hình chữ nhật rỗng ở giữa ở hình chiếu bằng thể hiện phần rỗng chữ nhật của gá.
Từ đó hình dạng gá lỗ chữ nhật được biểu diễn như hình sau.

Bài 2 trang 73 Chuyên đề học tập Toán 11 Cánh diều thuộc chương trình học Toán 11, tập trung vào việc vận dụng các kiến thức về hàm số, đồ thị hàm số và các phép biến đổi hàm số để giải quyết các bài toán cụ thể. Bài tập này thường yêu cầu học sinh phân tích hàm số, xác định các yếu tố quan trọng như tập xác định, tập giá trị, tính đơn điệu, cực trị và vẽ đồ thị hàm số.
Để giải bài 2 trang 73 Chuyên đề học tập Toán 11 Cánh diều một cách hiệu quả, trước tiên cần đọc kỹ đề bài, xác định rõ yêu cầu và các dữ kiện đã cho. Sau đó, lựa chọn phương pháp giải phù hợp, có thể là sử dụng các công thức, định lý đã học hoặc áp dụng các kỹ năng phân tích, suy luận logic.
Dưới đây là lời giải chi tiết cho bài 2 trang 73 Chuyên đề học tập Toán 11 Cánh diều. Chúng tôi sẽ trình bày từng bước giải một cách rõ ràng, dễ hiểu, kèm theo các giải thích và ví dụ minh họa.
Ngoài bài 2 trang 73, Chuyên đề học tập Toán 11 Cánh diều còn có nhiều bài tập khác với các dạng khác nhau. Dưới đây là một số dạng bài tập thường gặp và cách giải:
Để học tập và ôn thi Toán 11 hiệu quả, bạn có thể áp dụng một số mẹo sau:
Bài 2 trang 73 Chuyên đề học tập Toán 11 Cánh diều là một bài tập quan trọng giúp bạn củng cố kiến thức về hàm số và rèn luyện kỹ năng giải toán. Hy vọng với lời giải chi tiết và các hướng dẫn trong bài viết này, bạn sẽ tự tin hơn trong quá trình học tập và đạt kết quả tốt nhất.
Hãy tiếp tục luyện tập và khám phá thêm nhiều bài tập thú vị khác trên giaibaitoan.com!