Chào mừng bạn đến với giaibaitoan.com, nơi cung cấp lời giải chi tiết và dễ hiểu cho các bài tập Toán 11. Trong bài viết này, chúng tôi sẽ hướng dẫn bạn giải các bài tập trong mục 2 trang 71 và 72 của Chuyên đề học tập Toán 11 - Cánh diều.
Mục tiêu của chúng tôi là giúp bạn nắm vững kiến thức, rèn luyện kỹ năng giải toán và đạt kết quả tốt nhất trong học tập.
Hãy vẽ các hình chiếu vuông góc của hình lập phương theo phương pháp góc chiếu thứ nhất.
Hãy vẽ các hình chiếu vuông góc của hình lập phương theo phương pháp góc chiếu thứ nhất.
Phương pháp giải:
Phương pháp góc chiếu thứ nhất là phương pháp biểu diễn cac hình chiếu bằng, hình chiếu cạnh, hình chiếu đứng của vật thể trên cùng một mặt phẳng (bản vẽ) theo thứ tự trong hình 9.

Lời giải chi tiết:

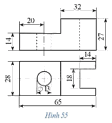
Đọc bản vẽ gá lỗ tròn trong Hình 55 và khôi phục lại hình dạng của gá lỗ tròn đó.

Phương pháp giải:
Quan sát hình 55 để đọc bản vẽ.
Lời giải chi tiết:
Đọc bản vẽ hai hình chiếu của gá lỗ tròn ta thấy:
- Hình chiếu đứng có dạng chữ L nằm ngang. Chiều dài lớn là 65, chiều cao lớn là 27.
- Đối chiếu với hình chiếu bằng, ta thấy có hai phần: phần bên trái có lỗ tròn ∅13 tương ứng với phần bên trái thấp ở hình chiếu đứng; phần bên phải có rãnh chữ nhật tương ứng với phần nhô lên bên phải ở hình chiếu đứng.
- Trên hình chiếu đứng, phần bên trái thấp hơn có hai nét đứt tương ứng với đường tròn ∅13 ở hình chiếu bằng thể hiện lỗ tròn ở giữa.
- Trên hình chiếu đứng, phần bên phải nhô lên có một nét đứt tương ứng với phần khuyết hình chữ nhật ở hình chiếu bằng thể hiện rãnh chữ nhật.
Từ đó hình dạng gá lỗ tròn được biểu diễn như hình sau.

Vẽ ba hình chiếu vuông góc của một đồ vật đơn giản trong gia đình em.
Phương pháp giải:
Phương pháp góc chiếu thứ nhất là phương pháp biểu diễn cac hình chiếu bằng, hình chiếu cạnh, hình chiếu đứng của vật thể trên cùng một mặt phẳng (bản vẽ) theo thứ tự trong hình 9.

Lời giải chi tiết:
Ví dụ: cái giường hộp.

Hãy vẽ các hình chiếu vuông góc của hình lập phương theo phương pháp góc chiếu thứ nhất.
Phương pháp giải:
Phương pháp góc chiếu thứ nhất là phương pháp biểu diễn cac hình chiếu bằng, hình chiếu cạnh, hình chiếu đứng của vật thể trên cùng một mặt phẳng (bản vẽ) theo thứ tự trong hình 9.

Lời giải chi tiết:

Vẽ ba hình chiếu vuông góc của một đồ vật đơn giản trong gia đình em.
Phương pháp giải:
Phương pháp góc chiếu thứ nhất là phương pháp biểu diễn cac hình chiếu bằng, hình chiếu cạnh, hình chiếu đứng của vật thể trên cùng một mặt phẳng (bản vẽ) theo thứ tự trong hình 9.

Lời giải chi tiết:
Ví dụ: cái giường hộp.

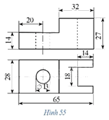
Đọc bản vẽ gá lỗ tròn trong Hình 55 và khôi phục lại hình dạng của gá lỗ tròn đó.

Phương pháp giải:
Quan sát hình 55 để đọc bản vẽ.
Lời giải chi tiết:
Đọc bản vẽ hai hình chiếu của gá lỗ tròn ta thấy:
- Hình chiếu đứng có dạng chữ L nằm ngang. Chiều dài lớn là 65, chiều cao lớn là 27.
- Đối chiếu với hình chiếu bằng, ta thấy có hai phần: phần bên trái có lỗ tròn ∅13 tương ứng với phần bên trái thấp ở hình chiếu đứng; phần bên phải có rãnh chữ nhật tương ứng với phần nhô lên bên phải ở hình chiếu đứng.
- Trên hình chiếu đứng, phần bên trái thấp hơn có hai nét đứt tương ứng với đường tròn ∅13 ở hình chiếu bằng thể hiện lỗ tròn ở giữa.
- Trên hình chiếu đứng, phần bên phải nhô lên có một nét đứt tương ứng với phần khuyết hình chữ nhật ở hình chiếu bằng thể hiện rãnh chữ nhật.
Từ đó hình dạng gá lỗ tròn được biểu diễn như hình sau.

Mục 2 của Chuyên đề học tập Toán 11 - Cánh diều tập trung vào các kiến thức về đạo hàm của hàm số. Đây là một phần quan trọng trong chương trình Toán 11, giúp học sinh hiểu rõ hơn về sự thay đổi của hàm số và ứng dụng trong nhiều lĩnh vực khác nhau.
Mục 2 bao gồm các nội dung chính sau:
Trang 71 của Chuyên đề học tập Toán 11 - Cánh diều chứa các bài tập về việc tính đạo hàm của các hàm số đơn giản. Dưới đây là giải chi tiết một số bài tập tiêu biểu:
Lời giải:
f'(x) = 2x + 3
Lời giải:
g'(x) = cos(x) - sin(x)
Trang 72 của Chuyên đề học tập Toán 11 - Cánh diều chứa các bài tập về việc áp dụng các quy tắc tính đạo hàm. Dưới đây là giải chi tiết một số bài tập tiêu biểu:
Lời giải:
h'(x) = (2x)(x - 2) + (x2 + 1)(1) = 2x2 - 4x + x2 + 1 = 3x2 - 4x + 1
Lời giải:
k'(x) = cos(x2) * 2x = 2x * cos(x2)
Để giải các bài tập về đạo hàm một cách hiệu quả, bạn nên:
Đạo hàm có rất nhiều ứng dụng trong thực tế, ví dụ như:
Hy vọng rằng bài viết này đã giúp bạn hiểu rõ hơn về cách giải các bài tập trong mục 2 trang 71 và 72 của Chuyên đề học tập Toán 11 - Cánh diều. Chúc bạn học tập tốt!