Chào mừng bạn đến với giaibaitoan.com, nơi cung cấp lời giải chi tiết và dễ hiểu cho các bài tập Toán 11. Bài viết này sẽ hướng dẫn bạn giải bài 4 trang 64 Chuyên đề học tập Toán 11 Cánh diều một cách nhanh chóng và hiệu quả.
Chúng tôi hiểu rằng việc giải các bài tập Toán đôi khi có thể gặp khó khăn. Vì vậy, chúng tôi đã biên soạn lời giải chi tiết, kèm theo các bước giải thích rõ ràng để giúp bạn nắm vững kiến thức và kỹ năng.
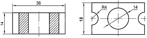
Hình 40 ghi kích thước cho bản vẽ. Hãy xác định các kích thước ghi không đúng tiêu chuẩn trên Hình 40
Đề bài
Hình 40 ghi kích thước cho bản vẽ. Hãy xác định các kích thước ghi không đúng tiêu chuẩn trên Hình 40 và trình bày cách ghi lại cho đúng.

Phương pháp giải - Xem chi tiết
Quan sát hình 40 để trả lời
Lời giải chi tiết
Số 14 ở hình chiếu đầu tiên phải nằm ở bên trái đường kích thước.
Số 18 ở hình chiếu thứ hai phải nằm quay ngang giống số 14 ở hình đầu tiên.

Bài 4 trang 64 Chuyên đề học tập Toán 11 Cánh diều thuộc chương trình học Toán 11, tập trung vào việc vận dụng kiến thức về hàm số và đồ thị để giải quyết các bài toán thực tế. Bài toán này thường yêu cầu học sinh phân tích hàm số, xác định các yếu tố quan trọng như tập xác định, tập giá trị, tính đơn điệu, cực trị và vẽ đồ thị hàm số.
Thông thường, bài 4 trang 64 sẽ đưa ra một hàm số cụ thể và yêu cầu học sinh thực hiện các thao tác sau:
Để giải bài 4 trang 64 Chuyên đề học tập Toán 11 Cánh diều một cách hiệu quả, bạn cần nắm vững các kiến thức cơ bản về hàm số và đạo hàm. Dưới đây là các bước giải chi tiết:
Giả sử hàm số được cho là: y = x3 - 3x2 + 2
Bước 1: Tập xác định của hàm số là R (tập hợp tất cả các số thực).
Bước 2: Đạo hàm của hàm số là: y' = 3x2 - 6x
Bước 3: Giải phương trình y' = 0, ta được x = 0 hoặc x = 2. Vậy hàm số có hai điểm cực trị là x = 0 và x = 2.
Bước 4: Khảo sát sự biến thiên của hàm số, ta thấy hàm số đồng biến trên khoảng (-∞, 0) và (2, +∞), nghịch biến trên khoảng (0, 2). Hàm số đạt cực đại tại x = 0 và cực tiểu tại x = 2.
Bước 5: Vẽ đồ thị hàm số dựa trên các thông tin đã thu thập được.
Để giải bài 4 trang 64 Chuyên đề học tập Toán 11 Cánh diều một cách nhanh chóng, bạn có thể sử dụng các công cụ hỗ trợ như máy tính bỏ túi có chức năng vẽ đồ thị hoặc các phần mềm toán học. Tuy nhiên, điều quan trọng nhất là bạn cần nắm vững kiến thức cơ bản và hiểu rõ các bước giải.
Để củng cố kiến thức và kỹ năng, bạn nên luyện tập thêm các bài tập tương tự trong sách giáo khoa và các tài liệu tham khảo khác. Ngoài ra, bạn có thể tìm kiếm các bài giảng trực tuyến hoặc tham gia các khóa học Toán 11 để được hướng dẫn chi tiết hơn.
Bài 4 trang 64 Chuyên đề học tập Toán 11 Cánh diều là một bài toán quan trọng giúp bạn rèn luyện kỹ năng giải quyết các bài toán liên quan đến hàm số và đồ thị. Hy vọng rằng với lời giải chi tiết và các hướng dẫn trên, bạn sẽ có thể giải bài toán này một cách dễ dàng và hiệu quả.