Chào mừng các em học sinh đến với phần giải bài tập mục 2 trang 57, 58, 59, 60 Chuyên đề học tập Toán 11 - Cánh diều của giaibaitoan.com. Chúng tôi cung cấp lời giải chi tiết, dễ hiểu, giúp các em nắm vững kiến thức và tự tin giải các bài tập tương tự.
Với đội ngũ giáo viên giàu kinh nghiệm, chúng tôi cam kết mang đến cho các em những giải pháp học tập hiệu quả nhất.
Cho hình chóp tam giác đều O.ABC có các góc AOB, BOC, COA đều là góc vuông.
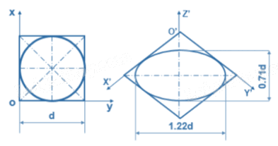
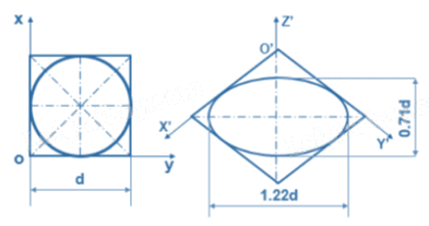
Hãy xác định hình chiếu trục đo vuông góc đều của những hình tròn nằm trong các mặt phẳng song song với các mặt phẳng tọa độ.
Phương pháp giải:
Giả sử một vật thể gắn hệ trục tọa độ vuông góc OXYZ với các trục tọa độ đặt theo chiều dài, chiều rộng và chiều cao của vật thể. Chiếu vật thể cùng hệ tọa độ vuông góc lên mặt phẳng hình chiếu (P’) theo phương l (l không song song với (P’) và không song song với các trục tọa độ). Kết uqr trên mặt phẳng (P’) nhận được một hình chiếu của vật thể và hệ tọa độ O’X’Y’Z’. Hình biểu diễn đó gọi là hình chiếu trục đo của vật thể.
Lời giải chi tiết:
Hình chiếu trục đo vuông góc đều của hình tròn nằm trong các mặt phẳng song song với các mặt tọa độ là hình elip theo các hướng khác nhau.
Trong hình chiếu trục đo vuông góc đều tỉ số biến dạng được quy ước: Nếu vẽ theo hệ số biến dạng quy ước (p = q = r = 1) thì các elip đó có trục dài bằng 1,22d và trục ngắn bằng 0,71d (với d là đường kính của đường tròn).
Góc trục đo hình chiếu trục đo của hình tròn:

Hướng các elip:

Trong Hoạt động 3, giả sử đường thẳng ℓ vuông góc với mặt phẳng (P') (Hình 28).
a) Tam giác A'B'C' có phải là tam giác đều hay không?
b) Tìm số đo của các góc trục đo: \(\widehat {X'O'Y'};\,\,\widehat {Y'O'Z'};\,\,\widehat {Z'O'X'}\).
c) So sánh các hệ số biến dạng: \(p = \frac{{O'A'}}{{OA}};\,q = \frac{{O'B'}}{{OB}};\,r = \frac{{O'C'}}{{OC}}\)

Phương pháp giải:
- Tam giác đều là tam giác có 3 cạnh bằng nhau hoặc 3 góc bằng nhau.
- Quan sát hình 28, 29 để trả lời.
Lời giải chi tiết:

a) Tam giác A'B'C' là tam giác đều.
b) \(\widehat {X'O'Y'} = \,\,\widehat {Y'O'Z'} = \,\widehat {Z'O'X'} = 120^\circ \)
c) Ta có: \(p{\rm{ }} = {\rm{ }}q{\rm{ }} = {\rm{ }}r{\rm{ }} = {\rm{ }}1.\)
Cho hình chóp tam giác đều O.ABC có các góc AOB, BOC, COA đều là góc vuông. Xét hệ trục tọa độ vuông góc OXYZ sao cho A, B, C lần lượt nằm trên các trục OX, OY, OZ. Gọi (P) là mặt phẳng đi qua ba điểm A, B, C và (P') là mặt phẳng song song với mặt phẳng (P).
Giả sử ℓ là đường thẳng không song song với (P') và không song song với các trục tọa độ, các điểm O', A', B', C' lần lượt là hình chiếu song song theo phương ℓ của các điểm O, A, B, C trên mặt phẳng (P') (Hình 25).

Hãy xác định:
a) Hình chiếu song song O'X', O'Y', O'Z' trên mặt phẳng (P') của lần lượt các trục tọa độ OX, OY, OZ theo phương ℓ;
b) Hình chiếu song song theo phương ℓ của hình chóp tam giác đều O.ABC trên mặt phẳng (P').
Phương pháp giải:
Trong không gian, cho mặt phẳng \(\left( P \right)\)và đường thẳng \(l\) cắt \(\left( P \right)\). Phép đặt tương ứng mỗi điểm M trong không gian với điểm M’ của mặt phẳng \(\left( P \right)\) sao cho MM’ song song hoặc trùng với \(l\) được gọi là phép chiếu song song lên mặt phẳng \(\left( P \right)\) theo phương \(l\).
Lời giải chi tiết:
a) Hình chiếu song song O'X', O'Y', O'Z' trên mặt phẳng (P') của lần lượt các trục tọa độ OX, OY, OZ theo phương ℓ là tia OA', OB', OC'.

b) Hình chiếu song song theo phương ℓ của hình chóp tam giác đều O.ABC trên mặt phẳng (P') là tam giác A'B'C'.
Cho hình chóp tam giác đều O.ABC có các góc AOB, BOC, COA đều là góc vuông. Xét hệ trục tọa độ vuông góc OXYZ sao cho A, B, C lần lượt nằm trên các trục OX, OY, OZ. Gọi (P) là mặt phẳng đi qua ba điểm A, B, C và (P') là mặt phẳng song song với mặt phẳng (P).
Giả sử ℓ là đường thẳng không song song với (P') và không song song với các trục tọa độ, các điểm O', A', B', C' lần lượt là hình chiếu song song theo phương ℓ của các điểm O, A, B, C trên mặt phẳng (P') (Hình 25).

Hãy xác định:
a) Hình chiếu song song O'X', O'Y', O'Z' trên mặt phẳng (P') của lần lượt các trục tọa độ OX, OY, OZ theo phương ℓ;
b) Hình chiếu song song theo phương ℓ của hình chóp tam giác đều O.ABC trên mặt phẳng (P').
Phương pháp giải:
Trong không gian, cho mặt phẳng \(\left( P \right)\)và đường thẳng \(l\) cắt \(\left( P \right)\). Phép đặt tương ứng mỗi điểm M trong không gian với điểm M’ của mặt phẳng \(\left( P \right)\) sao cho MM’ song song hoặc trùng với \(l\) được gọi là phép chiếu song song lên mặt phẳng \(\left( P \right)\) theo phương \(l\).
Lời giải chi tiết:
a) Hình chiếu song song O'X', O'Y', O'Z' trên mặt phẳng (P') của lần lượt các trục tọa độ OX, OY, OZ theo phương ℓ là tia OA', OB', OC'.

b) Hình chiếu song song theo phương ℓ của hình chóp tam giác đều O.ABC trên mặt phẳng (P') là tam giác A'B'C'.
Trong Hoạt động 3, giả sử đường thẳng ℓ vuông góc với mặt phẳng (P') (Hình 28).
a) Tam giác A'B'C' có phải là tam giác đều hay không?
b) Tìm số đo của các góc trục đo: \(\widehat {X'O'Y'};\,\,\widehat {Y'O'Z'};\,\,\widehat {Z'O'X'}\).
c) So sánh các hệ số biến dạng: \(p = \frac{{O'A'}}{{OA}};\,q = \frac{{O'B'}}{{OB}};\,r = \frac{{O'C'}}{{OC}}\)

Phương pháp giải:
- Tam giác đều là tam giác có 3 cạnh bằng nhau hoặc 3 góc bằng nhau.
- Quan sát hình 28, 29 để trả lời.
Lời giải chi tiết:

a) Tam giác A'B'C' là tam giác đều.
b) \(\widehat {X'O'Y'} = \,\,\widehat {Y'O'Z'} = \,\widehat {Z'O'X'} = 120^\circ \)
c) Ta có: \(p{\rm{ }} = {\rm{ }}q{\rm{ }} = {\rm{ }}r{\rm{ }} = {\rm{ }}1.\)
Hãy xác định hình chiếu trục đo vuông góc đều của những hình tròn nằm trong các mặt phẳng song song với các mặt phẳng tọa độ.
Phương pháp giải:
Giả sử một vật thể gắn hệ trục tọa độ vuông góc OXYZ với các trục tọa độ đặt theo chiều dài, chiều rộng và chiều cao của vật thể. Chiếu vật thể cùng hệ tọa độ vuông góc lên mặt phẳng hình chiếu (P’) theo phương l (l không song song với (P’) và không song song với các trục tọa độ). Kết uqr trên mặt phẳng (P’) nhận được một hình chiếu của vật thể và hệ tọa độ O’X’Y’Z’. Hình biểu diễn đó gọi là hình chiếu trục đo của vật thể.
Lời giải chi tiết:
Hình chiếu trục đo vuông góc đều của hình tròn nằm trong các mặt phẳng song song với các mặt tọa độ là hình elip theo các hướng khác nhau.
Trong hình chiếu trục đo vuông góc đều tỉ số biến dạng được quy ước: Nếu vẽ theo hệ số biến dạng quy ước (p = q = r = 1) thì các elip đó có trục dài bằng 1,22d và trục ngắn bằng 0,71d (với d là đường kính của đường tròn).
Góc trục đo hình chiếu trục đo của hình tròn:

Hướng các elip:

Mục 2 của Chuyên đề học tập Toán 11 - Cánh diều tập trung vào các kiến thức về phép biến hình. Nội dung bao gồm các phép biến hình cơ bản như phép tịnh tiến, phép quay, phép đối xứng trục và phép đối xứng tâm. Việc nắm vững các kiến thức này là nền tảng quan trọng để giải quyết các bài toán hình học trong chương trình học.
Trang 57 giới thiệu về phép tịnh tiến, định nghĩa, tính chất và cách xác định ảnh của một điểm, một đường thẳng, một đường tròn qua phép tịnh tiến. Các bài tập trên trang này thường yêu cầu học sinh xác định ảnh của các đối tượng hình học sau khi thực hiện phép tịnh tiến, hoặc tìm phép tịnh tiến biến một đối tượng thành một đối tượng khác.
Trang 58 trình bày về phép quay, bao gồm định nghĩa, tính chất và cách xác định ảnh của một điểm, một đường thẳng, một đường tròn qua phép quay. Các bài tập thường liên quan đến việc xác định tâm quay, góc quay và tìm ảnh của các đối tượng hình học sau khi thực hiện phép quay.
Trang 59 tập trung vào phép đối xứng trục, định nghĩa, tính chất và cách xác định ảnh của một điểm, một đường thẳng, một đường tròn qua phép đối xứng trục. Các bài tập thường yêu cầu học sinh xác định trục đối xứng và tìm ảnh của các đối tượng hình học sau khi thực hiện phép đối xứng trục.
Trang 60 giới thiệu về phép đối xứng tâm, định nghĩa, tính chất và cách xác định ảnh của một điểm, một đường thẳng, một đường tròn qua phép đối xứng tâm. Các bài tập thường liên quan đến việc xác định tâm đối xứng và tìm ảnh của các đối tượng hình học sau khi thực hiện phép đối xứng tâm.
Để giải các bài tập trong mục 2, học sinh cần nắm vững các kiến thức cơ bản về các phép biến hình, bao gồm định nghĩa, tính chất và cách xác định ảnh của các đối tượng hình học. Ngoài ra, cần chú ý đến việc sử dụng các công thức và định lý liên quan để giải quyết các bài toán một cách chính xác và hiệu quả.
Ví dụ 1: Cho điểm A(1; 2) và phép tịnh tiến theo vectơ v = (3; -1). Tìm ảnh A' của điểm A qua phép tịnh tiến đó.
Giải: A' = A + v = (1 + 3; 2 - 1) = (4; 1).
Ví dụ 2: Cho đường thẳng d: x + y - 2 = 0 và phép quay tâm O(0; 0) góc 90 độ. Tìm ảnh d' của đường thẳng d qua phép quay đó.
Giải: Để tìm ảnh của đường thẳng, ta cần tìm ảnh của hai điểm bất kỳ trên đường thẳng. Ví dụ, chọn A(2; 0) và B(0; 2) thuộc d. Sau khi thực hiện phép quay, ta có A'(0; 2) và B'(-2; 0). Phương trình đường thẳng d' đi qua A' và B' là x - y + 2 = 0.
Để củng cố kiến thức và rèn luyện kỹ năng giải bài tập, học sinh nên tự giải các bài tập trong sách giáo khoa và sách bài tập. Ngoài ra, có thể tham khảo các tài liệu học tập trực tuyến và các video hướng dẫn giải bài tập trên giaibaitoan.com.
Hy vọng với phần giải bài tập mục 2 trang 57, 58, 59, 60 Chuyên đề học tập Toán 11 - Cánh diều của giaibaitoan.com, các em học sinh sẽ có thêm kiến thức và kỹ năng để giải quyết các bài toán hình học một cách tự tin và hiệu quả. Chúc các em học tập tốt!