Chào mừng bạn đến với giaibaitoan.com, nơi cung cấp lời giải chi tiết và dễ hiểu cho các bài tập Toán 11.
Bài giải khởi động trang 65 Chuyên đề học tập Toán 11 - Cánh diều là một phần quan trọng trong quá trình ôn tập và củng cố kiến thức của bạn.
Chúng tôi sẽ giúp bạn hiểu rõ các khái niệm và phương pháp giải bài tập một cách hiệu quả nhất.
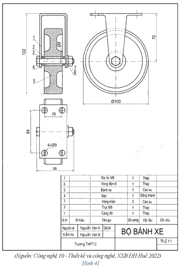
Hình 41 biểu diễn bản vẽ lắp bộ bánh xe.
Đề bài
Hình 41 biểu diễn bản vẽ lắp bộ bánh xe.

Đọc bản vẽ và hình dung được hình dạng của bộ bánh xe đó bằng cách nào?
Phương pháp giải - Xem chi tiết
Quan sát hình 41 và dựa vào kiến thức Công Nghệ để trả lời
Lời giải chi tiết
hiểu được hình dạng, kết cấu, cách thức lắp ghép và kết cấu hoạt động của sản phẩm.
Đọc bản vẽ và hình dung được hình dạng của bộ bánh xe đó theo nguyên tắc:
- Xác định đúng hướng nhìn cho từng hình biểu diễn. Từ hình chiếu bằng, hình chiếu cạnh, hình chiếu đứng, hình dung hình dạng mặt trên, mặt trái, mặt trước của vật thể.
- Dựa trên các hình chiếu, chia vật thể thành những khối hình học cơ bản và hình dung được vị trí tương đối, sự sắp xếp giữa những khối này. Từ đặc điểm hình chiếu của các khối hình học cơ bản, nhận ra được những đặc điểm chính của vật thể để hình dung toàn bộ vật thể.
- Phân tích được ý nghĩa từng đường nét thể hiện trên các hình chiếu. Nét liền đậm, nét đứt, nét chấm gạch, ... mỗi nét thể hiện đường nào đó của vật thể.
Bài tập khởi động trang 65 trong Chuyên đề học tập Toán 11 - Cánh diều đóng vai trò quan trọng trong việc giúp học sinh ôn lại kiến thức cũ và làm quen với các khái niệm mới. Bài tập này thường mang tính chất tổng hợp, đòi hỏi học sinh phải vận dụng linh hoạt các kiến thức đã học để giải quyết vấn đề.
Bài tập khởi động trang 65 thường tập trung vào các chủ đề sau:
Để giải quyết hiệu quả bài tập khởi động trang 65, học sinh cần nắm vững các phương pháp sau:
Bài tập: Giải phương trình lượng giác sau: sin(x) = 1/2
Lời giải:
Phương trình sin(x) = 1/2 có các nghiệm là:
Để học tập hiệu quả môn Toán 11, học sinh cần:
Việc giải bài tập khởi động không chỉ giúp học sinh ôn tập kiến thức cũ mà còn giúp họ làm quen với các dạng bài tập mới, rèn luyện kỹ năng giải quyết vấn đề, và chuẩn bị tốt cho các bài kiểm tra và kỳ thi sắp tới. Đặc biệt, việc hiểu rõ bản chất của bài toán sẽ giúp học sinh tự tin hơn trong quá trình học tập và thi cử.
Hy vọng rằng với hướng dẫn chi tiết và dễ hiểu này, các bạn học sinh sẽ tự tin hơn trong việc giải bài tập khởi động trang 65 Chuyên đề học tập Toán 11 - Cánh diều. Chúc các bạn học tập tốt và đạt kết quả cao!