Chào mừng bạn đến với giaibaitoan.com, nơi cung cấp lời giải chi tiết và dễ hiểu cho các bài tập Toán 11 Kết nối tri thức. Chúng tôi hiểu rằng việc giải các bài tập trong chuyên đề có thể gặp nhiều khó khăn, đặc biệt là đối với những học sinh mới làm quen với chương trình.
Với mục tiêu hỗ trợ tối đa cho học sinh, chúng tôi đã biên soạn và trình bày lời giải cho từng bài tập trong mục 1 trang 68, 69, 70, 71, 72 một cách rõ ràng, logic và đầy đủ.
Quan sát bản vẽ kĩ thuật trong Hình 3.32 và trả lời các câu hỏi sau.
Quan sát bản vẽ kĩ thuật trong Hình 3.32 và trả lời các câu hỏi sau.
a) Bản vẽ kĩ thuật được vẽ trên khổ giấy nào?
b) Các cạnh của khung bản vẽ cách các cạnh của khổ giấy bao nhiêu milimét?
c) Khung tên được đặt ở vị trí nào của bản vẽ và trình bày những thông tin cơ bản nào?

Phương pháp giải:
Quan sát hình 3.32, dựa vào kiến thưc Công Nghệ để làm
Lời giải chi tiết:
a) Bản vẽ kĩ thuật được vẽ trên khổ giấy A3 (420 mm × 297 mm).
b) Cạnh của khung bản vẽ cách cạnh trái của khổ giấy là 20 mm; cách cạnh phải của khổ giấy là 10 mm; cách cạnh trên và cạnh dưới của khổ giấy là 10 mm.
c) Khung tên được đặt ở góc dưới bên phải của bản vẽ và trình bày các thông tin cơ bản: - tên vật thể/đề bài tập;
- Tên vật liệu;
- Tỉ lệ của bản vẽ;
- Kí hiệu số bài tập;
- Họ, tên người vẽ;
- Ngày lập bản vẽ;
- Chữ kí của người kiểm tra;
- Ngày kiểm tra;
- Tên trường, lớp.
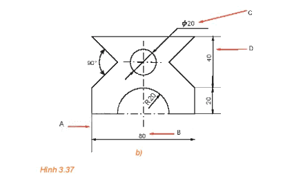
Trong Hình 3.37b, kí hiệu nào trong hai kí hiệu C, D ứng với đường kích thước và kí hiệu nào ứng với chữ số kích thước?

Phương pháp giải:
Quan sát hình 3.37 để làm
Lời giải chi tiết:
Quan sát Hình 3.37b, ta thấy kí hiệu D ứng với đường kích thước, kí hiệu C ứng với chữ số kích thước.
Hình 3.34b thể hiện một bản vẽ kĩ thuật có kích thước khung bản vẽ là 564 mm × 400 mm. Hỏi bản vẽ đó được vẽ trên khổ giấy nào?

Phương pháp giải:
Mỗi bản vẽ đều có khung bản vẽ, khung tên. Khung bản vẽ cách cạnh trái của khổ giấy 20mm, cách cạnh còn lại 10mm. Khung tên ghi các nội dung về quản lí bản vẽ và đặt ở góc dưới bên phải của bản vẽ.
Lời giải chi tiết:
Chiều dài của khổ giấy là 564 + 20 + 10 = 594 (mm)
Chiều rộng của khổ giấy là 400 + 10 + 10 = 420 (mm).
Do đó, bản vẽ được vẽ trên khổ giấy A2 (594 mm × 420 mm).
Quan sát bản vẽ kĩ thuật trong Hình 3.32 và cho biết trên bản vẽ đó có những loại nét vẽ nào? Chiều rộng (hay độ dày) của các nét vẽ đó có giống nhau không?

Phương pháp giải:
Quan sát hình 3.32 để làm
Lời giải chi tiết:
Bản vẽ có các nét: nét liền đậm, nét liền mảnh, nét đứt mảnh. Chiều rộng (hay độ dày) của các nét không giống nhau.
Quan sát bản vẽ kĩ thuật trong Hình 3.32 và cho biết các kich thước được viết ở vị trí nào của đường kích thước.

Phương pháp giải:
Quan sát hình 3.32 để làm
Lời giải chi tiết:
Nếu đường kích thước nằm dọc thì các chữ số kích thước nằm bên trái so với đường kích thước.
Nếu đường kích thước nằm ngang thì các chữ số kích thước nằm bên trên so với đường kích thước.
Trên bản vẽ kĩ thuật ở Hình 3.32 có bao nhiêu nét liền mảnh?

Phương pháp giải:
Quan sát hình 3.32 để làm
Lời giải chi tiết:
Bản vẽ kĩ thuật ở Hình 3.32 có 21 nét liền mảnh.
Quan sát bản vẽ kĩ thuật trong Hình 3.32 và trả lời các câu hỏi sau.
a) Bản vẽ kĩ thuật được vẽ trên khổ giấy nào?
b) Các cạnh của khung bản vẽ cách các cạnh của khổ giấy bao nhiêu milimét?
c) Khung tên được đặt ở vị trí nào của bản vẽ và trình bày những thông tin cơ bản nào?

Phương pháp giải:
Quan sát hình 3.32, dựa vào kiến thưc Công Nghệ để làm
Lời giải chi tiết:
a) Bản vẽ kĩ thuật được vẽ trên khổ giấy A3 (420 mm × 297 mm).
b) Cạnh của khung bản vẽ cách cạnh trái của khổ giấy là 20 mm; cách cạnh phải của khổ giấy là 10 mm; cách cạnh trên và cạnh dưới của khổ giấy là 10 mm.
c) Khung tên được đặt ở góc dưới bên phải của bản vẽ và trình bày các thông tin cơ bản: - tên vật thể/đề bài tập;
- Tên vật liệu;
- Tỉ lệ của bản vẽ;
- Kí hiệu số bài tập;
- Họ, tên người vẽ;
- Ngày lập bản vẽ;
- Chữ kí của người kiểm tra;
- Ngày kiểm tra;
- Tên trường, lớp.
Hình 3.34b thể hiện một bản vẽ kĩ thuật có kích thước khung bản vẽ là 564 mm × 400 mm. Hỏi bản vẽ đó được vẽ trên khổ giấy nào?

Phương pháp giải:
Mỗi bản vẽ đều có khung bản vẽ, khung tên. Khung bản vẽ cách cạnh trái của khổ giấy 20mm, cách cạnh còn lại 10mm. Khung tên ghi các nội dung về quản lí bản vẽ và đặt ở góc dưới bên phải của bản vẽ.
Lời giải chi tiết:
Chiều dài của khổ giấy là 564 + 20 + 10 = 594 (mm)
Chiều rộng của khổ giấy là 400 + 10 + 10 = 420 (mm).
Do đó, bản vẽ được vẽ trên khổ giấy A2 (594 mm × 420 mm).
Quan sát bản vẽ kĩ thuật trong Hình 3.32 và cho biết trên bản vẽ đó có những loại nét vẽ nào? Chiều rộng (hay độ dày) của các nét vẽ đó có giống nhau không?

Phương pháp giải:
Quan sát hình 3.32 để làm
Lời giải chi tiết:
Bản vẽ có các nét: nét liền đậm, nét liền mảnh, nét đứt mảnh. Chiều rộng (hay độ dày) của các nét không giống nhau.
Trên bản vẽ kĩ thuật ở Hình 3.32 có bao nhiêu nét liền mảnh?

Phương pháp giải:
Quan sát hình 3.32 để làm
Lời giải chi tiết:
Bản vẽ kĩ thuật ở Hình 3.32 có 21 nét liền mảnh.
Quan sát bản vẽ kĩ thuật trong Hình 3.32 và cho biết các kich thước được viết ở vị trí nào của đường kích thước.

Phương pháp giải:
Quan sát hình 3.32 để làm
Lời giải chi tiết:
Nếu đường kích thước nằm dọc thì các chữ số kích thước nằm bên trái so với đường kích thước.
Nếu đường kích thước nằm ngang thì các chữ số kích thước nằm bên trên so với đường kích thước.
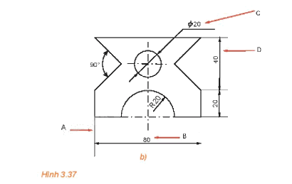
Trong Hình 3.37b, kí hiệu nào trong hai kí hiệu C, D ứng với đường kích thước và kí hiệu nào ứng với chữ số kích thước?

Phương pháp giải:
Quan sát hình 3.37 để làm
Lời giải chi tiết:
Quan sát Hình 3.37b, ta thấy kí hiệu D ứng với đường kích thước, kí hiệu C ứng với chữ số kích thước.
Mục 1 của Chuyên đề học tập Toán 11 - Kết nối tri thức thường tập trung vào một chủ đề cụ thể, ví dụ như dãy số, giới hạn, hoặc đạo hàm. Việc nắm vững kiến thức nền tảng và kỹ năng giải bài tập trong mục này là rất quan trọng để học tốt các kiến thức tiếp theo.
Các bài tập trên trang 68 thường xoay quanh việc áp dụng định nghĩa và tính chất của... Để giải các bài tập này, học sinh cần nắm vững các khái niệm cơ bản và thực hành các phép toán liên quan. Ví dụ:
Trang 69 tiếp tục đào sâu vào chủ đề..., với các bài tập có độ khó tăng dần. Học sinh cần vận dụng linh hoạt các kiến thức đã học và kết hợp với các kỹ năng giải bài tập khác để tìm ra lời giải chính xác.
Các bài tập trên trang 70 thường yêu cầu học sinh phải phân tích đề bài một cách kỹ lưỡng và lựa chọn phương pháp giải phù hợp. Việc sử dụng sơ đồ Venn hoặc bảng biểu có thể giúp học sinh hình dung rõ hơn về các mối quan hệ giữa các yếu tố trong bài toán.
Trang 71 tập trung vào việc ứng dụng kiến thức vào giải quyết các bài toán thực tế. Học sinh cần liên hệ các khái niệm toán học với các tình huống trong đời sống để hiểu rõ hơn về ý nghĩa và tầm quan trọng của môn học.
Trang 72 là phần tổng hợp các bài tập từ các trang trước, giúp học sinh củng cố kiến thức và rèn luyện kỹ năng giải bài tập. Các bài tập này thường có tính tổng hợp cao và yêu cầu học sinh phải vận dụng nhiều kiến thức khác nhau để giải quyết.
Để giải bài tập Toán 11 Kết nối tri thức một cách hiệu quả, học sinh cần:
Toán 11 là một môn học quan trọng, đòi hỏi sự nỗ lực và kiên trì. Để học tốt môn Toán 11, học sinh cần:
| Công thức | Mô tả |
|---|---|
| ... | ... |
| ... | ... |
Hy vọng rằng với những lời giải chi tiết và phương pháp giải bài tập hiệu quả mà giaibaitoan.com cung cấp, bạn sẽ học tốt môn Toán 11 Kết nối tri thức và đạt được kết quả cao trong học tập.